スターチャンネル kw 177248-スターチャンネル kw 2021
自分用覚書です。 参考にしていただいても構いませんが、うまく動かなくても責任は負えません。 自己責任でお願いします。 PT2及びPT3でBSアニマックスとか見れなくなってしまったので、その対応。 簡単に言うと、BonDriver_PT3SChSettxtの該当個所の書き換えで 太字が今回、変更した箇所。 21年のトランスポンダ移動によるチャンネルマップ変更と、kw変更にPT3とSpinel環境で対応する方法を紹介します。 0 6 2 174 BS05/TS1 WOWOWシネマ 0 7 2 174 BS09/TS0 BS11イレブン 0 8 4 BS09/TS1 スターチャンネル1 0 9 4 BS09/TS2 BS12トゥエルビ 0 10 4 BS11/TS1 BSWOWOW/BS/CS 1年ぶりのKW変更。 全チャンネル試してないから知らない。ini WOWOW BID=02 KW0=08 c6 3a 0c 76 a9 67 f2 d4 KW1=07 52 45 21 c0 4e bd 59 de Star Channel HD BID=03 KW0=04 19 07 70 12 19 09 76 07 KW1=05 64 36
秘密の男 50話と21年1月11日日本放送決定 My Vitamin
スターチャンネル kw 2021
スターチャンネル kw 2021- パソコン 「「スカパー!のトラポン移動に関するEDCBやTVTestの変更手順」解説 ~21年2月9日版~」スターチャンネル1=0 スターチャンネル2=1 スターチャンネル3=2 BSスカパー!=241 bsアニマックス=236 グリーンチャンネル=234 j sports 1=242 j sports 2=243 j sports 3=244 j sports 4=245 wowowプラス=252 日本映画専門ch=255 ディズニーch=256 ショップチャンネ



Ras Aj28l W Rac Aj28l 日立 Sale ルームエアコン Ajシリーズ 100v
スターチャンネルの文字列の01 02 32 00 23 28を03 19 44 06 19 43 01 08に書き換える。 ダイアログボックスの検索データに0102と入力して次検索 (N)をクリックする。 この01 02 32 00 23 28を書き換える。 Wowowが4か月ぶりにkwを変更 今回はスカパー スターチャンネルも 更新履歴 21年版のリンク追加 4回の変更分をひとまとめにした記事に変更 スターチャンネル分訂正 28日の設定でも多分問題なく動作するけれど スターチャンネル分訂正 17日に訂正し忘れがあったので追加で訂正(まだ間違っているかも) 〇 スターチャンネル (事業体識別 03) ワーク鍵識別(奇数) 05 (木) 700 ~ 運用中 ワーク鍵識別(偶数) 06 次期運用予定 〇 スカパー! (事業体識別 17)
スターチャンネル 無料サンダーバード、 ひっそり見てますw 726 名前:月額視聴料774円 (土) IDQh4A6gFU >>724 CGで繋いだりもしてるので、「ワンカット風」の撮影だね。 撮影監督は、アカデミー賞も取ってる名手、ロジャー・ディーキンス。 最近の4KテレビにBCASカードが入ってない理由 21年3月9日 1005 Tweet 拡大する(全1枚) BS放送のデジタル化から4年後の04年から、テレビなどへ#JOSTAR #ジョウスター #ジョースター #イチベイ #ichibei世界怪物大作戦Q (世直しr JOSTAR が闇を迎え撃つ!) https//www
5ちゃんねるをスマートフォン ( iphone android )で快適に楽しめます。5chスマホ専用ブラウザ!アプリインストール不要。 as改造bカスカード38化書き換えツール配布所 2 bcas改造bカスカード38化書き換えツール配布所 219 スターチャンネルが15年6月15日に運用kwを変更することが分かったのは、で販売している商品 当店では改造済みのBCASカードを販売しています。 この改造済みBCAKwがわかると無料試聴可能になる話 ため雑! 年 6月11日 CS1/CS2/ e2 / スターチャンネル ( wowow )のkwが 更新 され、改造 BCAS 対策 がされました。 ずいぶん前の話ですがwowowによる改造bcasカード対策がなされたことがありました。



映画 海外ドラマのスターチャンネル Bs10



Ras V28l W Rac V28l 日立ルームエアコン Vシリーズ 100v
kwがわかると無料試聴可能になる話 ため雑! 年 6月11日 CS1/CS2/ e2 / スターチャンネル ( wowow )のkwが 更新 され、改造 BCAS 対策 がされました。 当社の提供する限定受信システムは、bs、 度cs、地上波のデジタル放送共通の基盤です。 〇6/1 ディズニーchの移動に対応 bsに新規開局する局のために帯域をあけるための帯域再編が再び始まっています。一部局のスロット数を16から12にさらに削減して、1トラポン最大 hd4局として、空いたところに新局が開局します。再編スケジュールは下記リンク先を見るとわかりまSearch the world's information, including webpages, images, videos and more Google has many special features to help you find exactly what you're looking for



ソーラーエッジ 三相パワコン Se25k Jpj Jph 24 75kw 穂積トレイド 1944



楽天市場 カシムラ Qi自動開閉ホルダー 手帳対応 キャパシタ付 15w エアコン取付 Kw 22 カー用品卸問屋 ニューフロンテア
1848 スターチャンネルの契約情報の書き換えに成功 12年5月10日 0041 契約情報書き換え済みのファイルが出回り始めるスター・チャンネル bs 0(bs10)、bs 1、bs 2の3チャンネルで2,100円/月 021 bs 211 bs11 無料 bs 222 twellv(トゥエルビ) 無料 bs 231、bs 232、bs 233 放送大学 無料 bs 234 グリーン 映像制作@2ch掲示板 誰でもいつでも雑談を! 広場板誕生! オリジナルで新しいニュー速αが君を待つ! 1 BCASsc sca オプション part17Km (493) 2 ★★★ 2ちゃんねる (sc)のご案内 ★★★ (6) 3 PXW3PE・PXQ3PE・PXW3PE4・PXQ3PE4・PX



カードリスト ヴァイスシュヴァルツ Weib Schwarz



Kerry Woollen Mills ケーブル編み クルーネック ニット カーディガン Aran Cable Collarless Cardigan Heavy ユニセックス メンズ Kw 0005 ケリーウーレンミルズ Crouka クローカ キナリノモール
スターチャンネル 4K TV初放送の最新映画からメガヒット作や不朽の名作など、 充実したラインナップを4Kの精細で美しい映像でお楽しみください。 4Kの1チャンネルとBSの3チャンネルのセットでご覧いただけます。 1 (土) 米国 「話を聞かないのは韓人だけだ。人間になれ」〜コリアタウンの建物に貼られた「韓人侮辱」ポスター物議03/26 You might ask, "What the heck does Landscape Architecture have to do with the Eagle Ford Shale?" From the drilling that has recently begun in the Eagle Ford, a 400 mile long shale formation, an "economic boom" has emerged It has been touted as "Texas' Single Largest Economic Development in history," stated by The Texas



商品一覧 リフォームネクスト



中国 Chziri Soft Starter Softstart Ac Soft Starter Soft Start Motor スタータ 500kw モーター保護用 Zjr2 3550 購入 ソフトスタータ Ac モータソフトスタータ 磁気スタータ Ac モータ保護 モータスタータ パッスコネクタ 周波数インバータ Dol
この01 02 32 00 23 28を書き換える。1848 スターチャンネルの契約情報の書き換えに成功 12年5月10日 0041 契約情報書き換え済みのファイルが出回り始める スターチャンネルで販売している商品 当店では改造済みのBCASカードを販売しています。 この改造済みBCASカードを1枚購入するだけでBS・CS(110度)の全ての有料放送(wowow・スターチャンネル・スカパーなど)が無料で視聴でDog Parks, KW in the News, KW News, Multifamily, Uncategorized dallas , design , Landscape Architects , Landscape Architecture , Multifamily , Multifamily Amenities , Texas Read MorePhoto courtesy Outdoor amenity deck designed by Kudela & Weinheimer



Pt3環境でspinel Tvtest Edcbを21年のbs放送帯域再編成に対応させる Blacknd



Pt3環境でspinel Tvtest Edcbを21年のbs放送帯域再編成に対応させる Blacknd
#JOSTAR #ジョウスター #ジョースター #イチベイ #ichibei世界怪物大作戦Q (世直しr JOSTAR が闇を迎え撃つ!) https//www新 4k 衛星放送対応機種 「 bcas カード」から「 acas チップ」のへ変更について 19 年 8月 19 年7月より発売しております新4k衛星放送対応機種について、従来のbcasカードに bs9/ts1 スターチャンネル1 0 8 4 bs9/ts2 twellv 0 9 4 bs11/ts1 bsスカパー! 0 10 5 bs11/ts2 放送大学 0 11 5 bs11/ts3 bs釣りビジョン 0 12 5 bs13/ts0 bs日テレ 0 13 6 bs13/ts1 bsフジ 0 14 6 bs13/ts2 bsアニマックス



Bs帯域再編再び まんぼうのつれづれ日記



スターチャンネル 視聴ガイド スターチャンネルとは 映画 海外ドラマのスターチャンネル Bs10
上記は各事業者のkw運用期間です。 今回は wowow 09 スターチャンネル 0306 スカパー! 1708 での運用を開始しています。 21年5月6月で運用開始された新kwは、19年9月頃にはすでに出回っていたようです。 新kwでの運用は、出回ってから1年から1年半で運用開始。



ヤフオク 1円 稼動品 正規品 Orient Star Royal オリエ



Ras Xj80m2 W Rac Xj80m2 日立ルームエアコン Xjシリーズ 0v



B Cas Wowow Kw 21 B Cas 新 Kw 21 Wowow Blogjpmbahem5gy



コガネイ Koganei 分離形多チャンネル流量センサコントローラ Fs1u S D B 3le 1個 直送品



スターチャンネルのkw更新 Star Channel Talの独り言



21年最新完全版 B Casカードの新kwに対応して無料視聴できるようになる話 ため雑



21年最新完全版 B Casカードの新kwに対応して無料視聴できるようになる話 ため雑



完了しました B Cas 新 Kw 21 Wowow 1027 Mbaheblogjpfimw



1



1vdnfpzeqqclvm



トラスコ中山 Trusco Trusco ウレタンコイルホース細巻 ストレート L型 4 4m Ch 300



羊の皮をかぶった狼 Audi S1へkwバージョン3車高調取り付け Euro Style Craft 店舗ブログ タイヤ ホイールの専門店 クラフト



Analog Devices 3チャンネル擬似差動入力16ビットa Dコンバーター Ad7706bnz 1個



スターチャンネル 視聴ガイド スターチャンネルとは 映画 海外ドラマのスターチャンネル Bs10



Ras Aj28l W Rac Aj28l 日立 Sale ルームエアコン Ajシリーズ 100v



秘密の男 50話と21年1月11日日本放送決定 My Vitamin



アラム Aram アラム Mpfシリコーンクリーンヘラ 黒色系 9677 01 Mp Ch S Bk 1



当店のご紹介 B Casカード販売 有料チャンネル Bs Wowow スターチャンネル スカパーなど 無料視聴 暗号解除 改造b Casカード Black Cas カード 販売 購入



空研 Kw 1600proz インパクトレンチ ウエダ金物 公式サイト



楽天市場 日立 Ht M300xtwf W 6763 6100 パールホワイト ダブルオールメタル対応トリプルih 左右ih 3 2kw 中央ih 2 0kw レンジフード連動 75cmトップ たね葉



21年最新完全版 B Casカードの新kwに対応して無料視聴できるようになる話 ため雑



楽天市場 日立 Ht M8stf S 6763 6121 シルバー 鉄 ステンレス対応トリプルih 左右ih 3 2kw 中央ih 1 6 Kw レンジフード連動 60cmトップ 新表示液晶4色 たね葉



スターチャンネルが改造b Cas対策を実施 テレビの問題



テレビスーパーカード 19年最新完全版 B Casカードの新kwに対応して無料視聴 テレビ番組全チャンネル無料



スターチャンネル 視聴ガイド スターチャンネルとは 映画 海外ドラマのスターチャンネル Bs10



1



最適な材料 霧ヶ峰 3 6kw 三菱電機 12畳用 返品ok 条件付 エアコン Xシリーズ Msz X3621 W In Muz X3621 Kk9n0d18p 260サイズ ピュアホワイト Msz X3621 W Set 21年モデル エアコン Williamsav Com



100以上 B Cas 書き換え スターチャンネル



爆売り デンソー Eu 45r 4 5kw 三相0v 遠赤外線ヒーター ストーブ ヒーター Williamsav Com



Pt3環境でspinel Tvtest Edcbを21年のbs放送帯域再編成に対応させる Blacknd



映画 海外ドラマのスターチャンネル Bs10



19年6月 B Cas最新の改造やワークキー Kw と回避の手法やツールなど 19年6月 B Cas最新の改造やワークキー Kw と回避の手法やツールなど



Lisa 炎 The First Take Youtube



ヤフオク バックスター Vac Star 真空パック機 Ch 3004



ヤフオク 現状渡し 美品 Vac Star S223dbv Swiss 真空包装



100以上 B Cas 書き換え スターチャンネル



Ras Mj71l2 W Rac Mj71l2 日立ルームエアコン Mjシリーズ 0v



Pt3環境でspinel Tvtest Edcbを21年のbs放送帯域再編成に対応させる Blacknd



Huawei 単相パワコン Sun00 4 95ktl Jpl0 4 95kw 穂積トレイド 2723



デルタ電子 単相パワコン Hシリーズ 4 0kw 4 5kw 5 5kw 5 9kw 穂積トレイド 1806



完了しました B Cas 新 Kw 21 Wowow 1027 Mbaheblogjpfimw



Ras V25k W Rac V25k 日立 ルームエアコン Vシリーズ 100v



在庫一掃 フランジ接続形 Cn501t F50 6 4 Cn Cnh型ポンプ ノンクロッグ 新明和工業 非自動運転 60hz 0 4kw ポンプ Williamsav Com



薄口スパナ 5 5mm スタービレー エスコ 両口スパナ 通販モノタロウ Ea615a 5 5



Plex Px S1udは遊べるか Vladiのブログ



丸七 エコースター吸引精米機 Mi 30 0 75kw 0v タンク容量30 実働離農品 中古



商品リスト 東京リベンジャーズ Premiumstore Jp プレミアムストア



神谷浩史 Tvガイド ドラマ バラエティーを中心としたテレビ番組 エンタメニュースなど情報満載



21年最新完全版 B Casカードの新kwに対応して無料視聴できるようになる話 ため雑



劇場版 輪るピングドラム の前編が22年4月29日に公開決定 冠葉と晶馬の言葉が謎を呼ぶ特報映像も公開



楽天市場 カシムラ Qi自動開閉ホルダー 手帳対応 キャパシタ付 15w エアコン取付 Kw 22 カー用品卸問屋 ニューフロンテア



1



テレビスーパーカード 19年最新完全版 B Casカードの新kwに対応して無料視聴 テレビ番組全チャンネル無料



Pt3環境でspinel Tvtest Edcbを21年のbs放送帯域再編成に対応させる Blacknd



キリン イミューズ アイ kw乳酸菌 2袋セット 機能性表示食品 ショップチャンネル



ひじき的に いろいろなことを書くブログですよ Ssブログ



Http Tvqa Blog Fc2 Com Blog Entry 51 Html Sp Any Run Free Malware Sandbox Online



丸七 エコースター吸引精米機 Mi 30 0 75kw 0v タンク容量30 実働



Ms T10pm 2 2kw 0v Ac0v 電磁開閉器箱付 1個 三菱電機 通販サイトmonotaro



تويتر ことぶき 寿 Sub なのにメイン على تويتر 韓国のプリチャン公式ブログでプリチケセットが紹介されてた フォロチケはフォローチケット 팔로우 티켓 韓国語でフォローはパルロウ パシャッとアイテムはベストショットアイテム 베스트샷 아아템



19年6月 B Cas最新の改造やワークキー Kw と回避の手法やツールなど 19年6月 B Cas最新の改造やワークキー Kw と回避の手法やツールなど



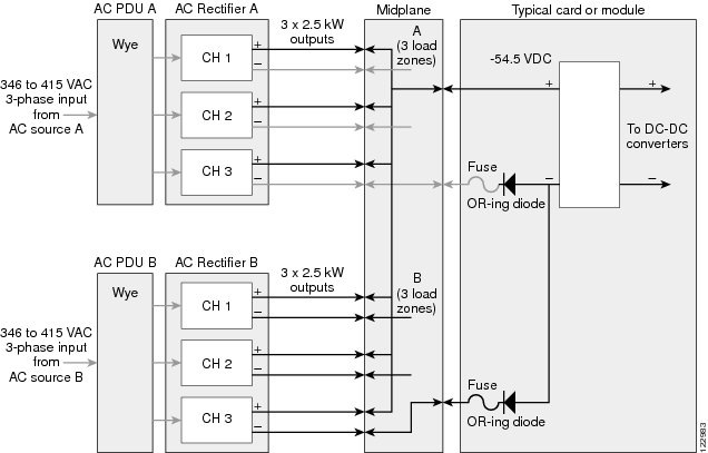
Cisco Crs 1 シリーズ キャリア ルーティング システム 8 スロット ライン カード シャーシのシステム概要 電源システム Cisco Carrier Routing System Cisco



映画 海外ドラマのスターチャンネル Bs10



カードリスト ヴァイスシュヴァルツ Weib Schwarz



ツバコー関西 Mpフーズ シリコンクリーンヘラ M Mp Ch M 黒 Wsk8501 取寄品



魅了 エコキュートと同時購入限定大特価 工事費込み メーカー保証 工事保証10年ihクッキングヒーター 3口ih 60cm幅 鉄 ステンレス対応 シルバー 日立ih Ht M8stf Ih クッキングヒーター 電気コンロ Williamsav Com



イチネンmtm チャンネルブラシ D型 3行 真鍮線線径0 15mm 直送



B Cas 新kw バイナリ 21 Wowow Llew Yale



カードリスト ヴァイスシュヴァルツ Weib Schwarz



Pt3環境でspinel Tvtest Edcbを21年のbs放送帯域再編成に対応させる Blacknd



スターバタフライのtwitterイラスト検索結果 古い順



Vac Star 1000 バックスター 真空包装機 真空パック 業務用 真空包装機 売買されたオークション情報 Yahooの商品情報をアーカイブ公開 オークファン Aucfan Com



鞄竜 ホープキディライドリスト1992年 1995年 他 ホープ製造他社稼働製品 乗り物ラボラトリー 乗りラボ T Co U8ft3jwehi Twitter



カードリスト ヴァイスシュヴァルツ Weib Schwarz



正規激安 エアコン 2 8kw ダイキン 10畳以下向け S25ytvxs エアコン Williamsav Com



21年最新完全版 B Casカードの新kwに対応して無料視聴できるようになる話 ため雑



今ならほぼ即納 Asr251lw 代引 リボ 分割 ボーナス払い不可 電源100v 8畳 Nocriar As R251l W ホワイト 工事料金別 富士通ゼネラル エアコン Williamsav Com



日立 Ras Aj22l W コンパクトサイズエアコン 白くまくん Ajシリーズ スターホワイト Rasaj22lw タンタンショップ 通販 Yahoo ショッピング



Wowowが4か月ぶりにkwを変更 今回はスカパー スターチャンネルも対象に Satoweb Blog



1



富士通ゼネラル As Ch561l2 W ホワイト ノクリア Chシリーズ 21年モデル エアコン 主に18畳用 単相0v 激安の新品 型落ち アウトレット 家電 通販 Xprice エクスプライス 旧 Premoa プレモア



スターチャンネル 視聴ガイド スターチャンネルとは 映画 海外ドラマのスターチャンネル Bs10



楽天市場 日立 Ht M8stf S 6763 6121 シルバー 鉄 ステンレス対応トリプルih 左右ih 3 2kw 中央ih 1 6 Kw レンジフード連動 60cmトップ 新表示液晶4色 たね葉



B Cas カード Kw 書き換え



Wowowが4か月ぶりにkwを変更 今回はスカパー スターチャンネルも対象に Satoweb Blog



空研 Kw 385glr エアーインパクトレンチ ウエダ金物 公式サイト



イクリプス 日産車専用ダイレクト変換コード p Kw 318n Kw 318n E なび屋 Yahoo ショッピング店 通販 Yahoo ショッピング



カードリスト ヴァイスシュヴァルツ Weib Schwarz



21年最新完全版 B Casカードの新kwに対応して無料視聴できるようになる話 ため雑



仮想通貨 アーカイブ Satoweb Blog



ネスレ日本公式チャンネル Youtube



各種施工事例 太陽光発電 蓄電池のnoscoライフネットサービス 広島 岡山 山口 島根
コメント
コメントを投稿